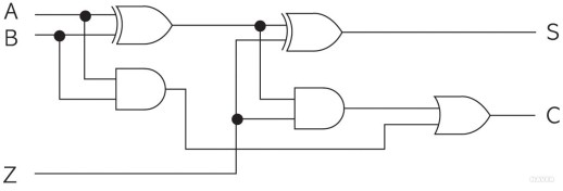
Full Adder Modeling
전가산기 모델링

- 세 개의 입력 A, B, Z와 두 개의 출력 Carry(C), Sum(S)을 가진다.
- Z는 아래 자릿 수에서의 덧셈의 결과로 파생된 Carry를 의미한다.
Truth Table for FA
| Inputs | Outputs | |||
| Z | A | B | C | S |
| 0 | 0 | 0 | 0 | 0 |
| 0 | 0 | 1 | 0 | 1 |
| 0 | 1 | 0 | 0 | 1 |
| 0 | 1 | 1 | 1 | 0 |
| 1 | 0 | 0 | 0 | 1 |
| 1 | 0 | 1 | 1 | 0 |
| 1 | 1 | 0 | 1 | 0 |
| 1 | 1 | 1 | 1 | 1 |
* Binary Adder - Full Adder (URL)
Full Adder - Behavioral Model
-- Entity Declaration
ENTITY Full_Adder IS
PORT (X, Y, Z : IN bit;
S, C : OUT bit );
END Full_Adder;
-- Architecture Body
ARCHITECTURE Behavioral_Design OF Full_Adder IS
BEGIN
PROCESS (X, Y, Z)
variable I : integer;
begin
I := 0;
if ( X = '1' ) then I := I+1; end if
if ( Y = '1' ) then I := I+1; end if
if ( Z = '1' ) then I := I+1; end if
if ( (I=0) or (I=2) ) then
S <= '0' after 2 ns;
else S <= '1' after 2 ns;
end if
if ( (I=0) or (I=1) ) then
C <= '0' after 2 ns;
else C <= '1' after 2 ns;
end if
END PROCESS
END Behavioral_Design;
Full Adder - Dataflow Model
-- Entity Declaration
ENTITY Full_Adder IS
PORT( X, Y, Z : IN bit;
S, C : OUT bit );
END Full_Adder;
-- Architecture Body
ARCHITECTURE Dataflow_Design OF Full_Adder IS
BEGIN
S <= X xor Y xor Z after 2 ns:
C <= (X and Y) or (X and C) or (Y and C) after 2 ns;
END Dataflow_Design;
* AB'Z + A'BZ + AB = AB + BZ + AZ
Full Adder - Structural Model

- FA의 모든 Component를 AND, OR 게이트만으로 구성할 수 있으며,
AND, OR, XOR 게이트를 이용하여 구성할 수도 있다.
- 본 포스트에서는 2개의 HA와 하나의 OR 게이트로 구성된 FA를 VHDL로 표현한다.
-- Entity Declaration
ENTITY Full_Adder IS
PORT( X, Y, Cin : IN bit;
S, C : OUT bit );
END Full_Adder;
-- Architecture Body
ARCHITECTURE Structural_Design OF Full-Adder IS
-- Declaration of local signals
signal t_s, t_c1, t_c2 : bit;
-- Component Declarations
component OR2
port( I1, I2 : IN bit;
O : OUT bit );
end component
component Half_Adder
port( A, B : IN bit;
Sum, Carry : OUT bit );
end component
// Component Instantiation
BEGIN
HA1 : Half_Adder port map( X, Y, t_s, t_c1 ); -- Positional Association (위치 결합)
HA2 : Half_Adder port map( t_s, Cin, S, t_c2 ); -- Positional Association (위치 결합)
ORG : OR2 port map( t_c1, t_c2 C ); -- Positional Association (위치 결합)
END Structural_Design;
- Local Signal t_s, t_c1, t_c2는 모두 Component들을 연결하는 신호들이다.
- \(\texttt{t_s}\) : First Half-Adder에서 XOR 게이트의 출력값 (1st HA의 \(\texttt{Sum}\)값)
- \(\texttt{t_c1}\) : First Half-Adder에서 AND 게이트의 출력값 (1st HA의 \(\texttt{Carry}\)값)
- \(\texttt{t_c2}\) : Second Half-Adder에서 AND 게이트의 출력값 (2nd HA의 \(\texttt{Carry}\)값)
* Named Association Type Mapping
HA1 : Half_Adder port map (A=>X, B=>Y, Sum=>t_s, Carry=>t_c1);
HA1 : Half_Adder port map (A=>t_s, B=>Cin, Sum=>S, Carry=>t_c2);
ORG : OR2 port map (I1=>t_c1, I2=>t_c2, O=>C);
* Another Implementation (with or Operator)
LIBRARY ieee;
USE ieee.std_logic_1164.all;
ENTITY fadder IS
PORT( a, b, ci : IN std_logic;
co, s : OUT std_logic );
END fadder;
ARCHITECTURE struct OF fadder IS
COMPONENT hadder
PORT( a, b : IN std_logic;
c, s : OUT std_logic );
END COMPONENT;
signal c1, c2, s1 : std_logic;
BEGIN
U1 : hadder
PORT MAP ( a => a, b => b, c => c1, s => s1 );
U2 : hadder
PORT MAP ( a => s1, b => ci, c => c2, s => s );
co <= c2 OR c1;
END struct;
* 4Bit Ripple Carry Adder Implementation (URL)
1) Strcutural Modeling
LIBRARY ieee;
USE ieee.std_logic_1164.all;
ENTITY adder_4bit IS
PORT( ci : IN std_logic;
a, b : IN std_logic_vector(3 DOWNTO 0);
co : OUT std_logic;
s : OUT std_logic_vector(3 DOWNTO 0) );
END adder_4bits;
ARCHITECTURE struct OF adder_4bits IS
COMPONENT fadder
PORT( a, b, ci : IN std_logic;
co, s : OUT std_logic );
END COMPONENT;
signal c0, c1, c2 : std_logic;
BEGIN
U1 : fadder
PORT MAP ( a => a(0), b => b(0), ci => ci, co => c0, s => s(0) );
U2 : fadder
PORT MAP ( a => a(1), b => b(1), ci => c0, co => c1, s => s(1) );
U3 : fadder
PORT MAP ( a => a(2), b => b(2), ci => c1, co => c2, s => s(2) );
U4 : fadder
PORT MAP ( a => a(3), b => b(3), ci => c2, co => co, s => s(3) );
END struct;
2) Data Flow Modeling
LIBRARY ieee;
USE ieee.std_logic_1164.all;
USE ieee.std_logic_unsigned.all;
ENTITY adder_4bit IS
PORT( ci : IN std_logic;
a, b : IN std_logic_vector(3 DOWNTO 0);
co : OUT std_logic;
s : OUT std_logic_vector(3 DOWNTO 0) );
END adder_4bit;
ARCHITECTURE behave OF adder_4bit IS
signal a_s, b_s, s_s : std_logic_vector(4 DOWNTO 0);
BEGIN
a_s <= '0' & a;
b_s <= '0' & b;
s_s <= a_s + b_s + ci;
co <= s_s(4);
s <= s_s(3 DOWNTO 0);
END behave;
Test Bench (테스트 벤치)
- VHDL 코드에 테스트 입력을 적용하기 위한 코드이다.
- 시뮬레이션을 통해 설계의 타당성을 검증하기 위해 테스트 벤치로부터의 결과를 이용한다.
-- Entity Declaration
ENTITY FA_test Is
end FA_test;
-- Architecture Body
ARCHITECTURE Test OF FA_test IS
signal X, Y, Cin : bit;
signal S, C : bit;
component Full_Adder
port( X, Y, Cin : IN bit;
S, C : OUT bit );
end component
BEGIN
FA : Full_Adder port map( X, Y, Cin, S, C);
-- X,Y,Cin에 10ns 주기로 000부터 111까지 입력시킨다.
X <= '0',
'1' after 40 ns, '0' after 80 ns;
Y <= '0',
'1' after 20 ns, '0' after 40 ns,
'1' after 60 ns, '0' after 80 ns;
Cin <= '0',
'1' after 10 ns, '0' after 20 ns,
'1' after 30 ns, '0' after 40 ns,
'1' after 50 ns, '0' after 60 ns,
'1' after 70 ns, '0' after 80 ns;
end Test;
- 본 테스트 벤치에서는 외부에서의 입출력이 없고, 자체적인 입력 파형을 통해 테스팅하기 때문에,
Entity Declaration 부분에서 \(\texttt{port}\)문을 필요로 하지 않는다.
* Configuration Declaration
-- Configuration Declaration
CONFIGURATION Full_Adder_Test_Config1 OF testbench_fa Is
for Test
for FA : Full_Adder
use ENTITY Work.Full_Adder(Structural_Design);
for Structural_Design
for HA1 : Half_Adder
use ENTITY Work.Half_Adder(Dataflow_Design);
end for;
for HA2 : Half_Adder
use ENTITY Work.Half_Adder(Behavioral_Design);
end for;
for ORG : OR2
use ENTITY Work.OR2(Dataflow_Design);
end for;
end for;
end for;
end for;
end Full_Adder_Test_Config1;
* Full Adder의 Simulation 결과

